Home › Forums › Product Discussion & Questions › BeoSystem › Beosystem integrating networkplayer project
- This topic has 23 replies, 6 voices, and was last updated 1 month, 3 weeks ago by
type81.
-
AuthorPosts
-
1 February 2026 at 19:25 #73046
type81
BRONZE MemberIt was around Christmas, free from work, high energy level.
Endlessly scrolling on the internet, and bought me a Beosystem 7000 black edition with a nice set of Beolab 8000 speakers.
Beomaster, Beogram CD and the rare black edition Beogram 7000 🙂
Yes, the Beocord is missing. Still missing.. But maybe I don’t want a Beocord, for those 2 audio cassettes I have.
I have also a 5500 set and a 5000 set which are both complete, but the Beocord is never playing in those sets.
Maybe I need some more modern component, but it doesn’t exist. Some sort of networkplayer to lift the system into the new era.
If it doesn’t exist, maybe I can create it myself. A new search on the internet learned me I am not the first, but let’s get inspired by what others did.My first inspiration: The Beomodern project by Henryk.
Introducing BeoModern
He created a real nice device, and it triggered me a lot. But it’s based on microcontrollers I have no knowledge of.
So I decided to see if I can create something like this project but with the audio streaming software of Volumio on a Raspberry Pi.My requirements:
– It has to integrate within the existing Beosystem ecosystem (5000/5500/6500/7000)
– The Beomaster is the master, and has to stay the master. The streamer system has to listen to the Beomaster commands (ir remote commands also from the Beomaster)
– It has to look like it was made by B&O
– I want LED matrix screens in the same color as the rest of the system to show what the streamer is playing
– Audio streaming from different sources (the more the better, Volumio helps me al lot)
– Internal SSD harddisk for ripping music from my CD collection
– A modular system. If a component fails, it has to be pretty easy to replace it.In the next few posts I will guide you through my journey of building this neat little device which is at 80% of completion at the moment.
Location: Netherlands
My B&O Icons:
1 February 2026 at 19:45 #73053 GuyModeratorLooks good! Looking forward to hearing more about the project! 😃
Location: Warwickshire, UK
My B&O Icons:
1 February 2026 at 20:05 #73061 type81
BRONZE MemberFirst things first. How to listen to a Beomaster datalink? I didn’t have a clue.
But happily you are rarely the first one to try and find something out.
So a search on the internet pointed me to a project on Github.
GitHub – toresbe/datalink: B&O datalink reverse engineering effortThis project analyses the Datalink port with an Arduino. Just what I needed.
A microcontroller which can control the system on the lowest level, and listen to the commands from “the boss”
In my case I use the BL80 analyzer as starting point.
A tape device on this ecosystem talks with the older BL80 standard, an AUX device talks over the more advanced BL86 standard.
I want the Beomaster to think the device is a “Tape 2” device. So I can use the more basic BL80 standard.
Let’s try. My good old Beomaster 5500 which I use for tests like this will be the test candidate.A 7 pin DIN connnector with 2 wires soldered on pin 2 -> ground and pin 7 -> datalink which will be connected to the Arduino.
Location: Netherlands
My B&O Icons:
1 February 2026 at 20:17 #73064 type81
BRONZE MemberAfter a lot of testing with the remote control, the codes were making sense to me so I created a little sheet with the commands I am interested in.
Now that I understand what the codes mean, I can try to do something with the received commands from the Beomaster.Let’s try to switch a relay as soon as we get code 0xAB.
I need it to power on the Raspberry Pi with the Volumio streamer when we switch the input to Tape 2 on the Beomaster.Location: Netherlands
My B&O Icons:
1 February 2026 at 20:32 #73066 type81
BRONZE MemberNow we need a housing which gives the look and feel of a real B&O device.
There was another Beomaster 5500 lying around in the most appaling state you can imagine.
Full of scratches, all working internal components were transplanted into other 5500’s to give them a new life.
All defect parts were put into this little old scratchy fellow. Time to take his internals of and use the housing for something nice.Another requirement I didn’t mention before: Try to use the original frame and mounting points.
No drilling in the bottom plate, all components have to be mounted on the internal framing.
Drilling a hole is not a problem, but no angle grinders or other barbarian tools please.
In the left corner on the photo where normally the transformer is situated, I placed a switching 5V/10A power supply.
In the middle where normally the cooling fan is situated, I placed a mounting bracket for a SSD harddisk.
On this mounting plate I put u 500GB SSD disk with a USB to SATA interface.
Above the harddisk I mounted a 5V powered USB hub. This is because I want to connect both a hardisk, but also want to be able to connect an external USB CD drive for CD ripping.
In the right corner is the Arduino situated for the low level controlling of the system.Location: Netherlands
My B&O Icons:
1 February 2026 at 20:48 #73074 type81
BRONZE MemberAs mentioned before, I want the system to be modular and parts need to be replaceable without a lot of soldering.
Also, I don’t want hundreds of single wires from one to another component.
Ideally there should be one connector with a flatcable on each part, and some sort of connecting board where all comes together.
This meant I had to create a breakout board for the Arduino. I found a nice board on Amazon which could help me with this.
Combined with a 10 pin IDC connector it ticked all the requirement boxes.
Power can also be applied via this connector, so the huge power plug which normally supplies the voltage to a Arduino could be omitted.Location: Netherlands
My B&O Icons:
1 February 2026 at 21:14 #73079 type81
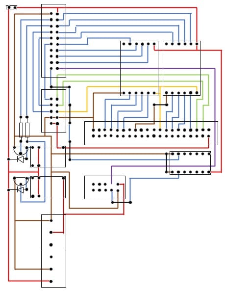
BRONZE MemberNext: Create a baseplate which houses a standard universal grid PCB, and a Raspberry Pi.
This baseplate is also mounted on the internal frame, and is not connected to the bottom plate of the Beomaster housing.
The universal grid PCB will be the central PCB, to which all components will connect (ideally by a flatcable)
In the background already a sneak preview of the testing of LED Matrix displays from the Raspberry Pi.
The Raspberry Pi on the picture is not the Pi which will be the Volumio streamer, but this Pi will control the LED displays and talk to Volumio with API calls.
Via this API calls we get the currect state of the streamer to project on the displays, but also sends commands to Volumio like start/stop/next etcetera.Designing the print layout takes a lot of time but I was able to position all parts on a small layout. This gives me room for future expansion.
The first components are mounted on the print. A 40 pin IDC connector to the Raspberry Pi, a 20 pin IDC connector to the Arduino
The power supply is connected to the PCB and the first relay is situated.
Underneath the 40 pin flatcable you see 2 small PCB’s. Those are voltage translators.
This is because the Arduino has a 5 volt GPIO voltage, and Raspberry Pi operates on 3,3 volt level.Location: Netherlands
My B&O Icons:
1 February 2026 at 21:29 #73081kknyc
SILVER Memberwow, love this project, and hope to add streaming to my 5500 system. Subbed for inspiration👍
My B&O Icons:
2 February 2026 at 07:00 #73093TK
BRONZE MemberKeep up the good work. Looking forward to seeing the finished product.
2 February 2026 at 17:43 #73102 type81
BRONZE MemberAbout the voltage translators.
I took 2 KY-051 translators for the communication between the Raspberry Pi and the Arduino.
It was my intention to talk over I2C, but for some reason I didn’t get it to work.
So I made a simple solution with 5 GPIO pins. Simple set a binary code on those 5 pins, and use a 6th pin as ACT pin.
As soon as the code is on the pins, toggle the ACT pin and the Python script on the Pi takes reads the binary code.with 5 bits I can send 32 different codes. That should be enough for my usecase
I’m more a hardware guy than a software guy. So maybe there are much more simple solutions, this is what I got working.Location: Netherlands
My B&O Icons:
2 February 2026 at 18:13 #73107 type81
BRONZE MemberNow the really nice stuff, we want flashing lights 🙂The Beomodern project by Henryk was talking about HDSP2112 screens. Nice 80’s retro LED matrix screens.
8 characters per screen, the possibility to position more screens next to each other and controllable with gpio pins on the Raspberry Pi.I found a really nice website with all info I needed to control the display(s) with Python.
LED display HDSP-211x | Arno WelzelA little bit of experimenting gave me pretty soon a nice flashing disco.
As you can see there a a LOT of wires. This was a bit of a headache. This would mean a huge flatcable to the frontpanel.
Also, because of the 6 gpio pins from the Pi to the Arduino there were not enough GPIO ports left on the Pi to control 3 screens which I had in mind.
It would be nice if I could control the screens with some sort of display controller which is small enough to be situated behind the frontpanel.
My solution: A MCP23017 GPIO expander.This fellow is a I2C bus driven GPIO expander. When connected you get 16 extra GPIO ports per IC.I2C bus control is 2 wires (clock/data), and some wires for power supply of the IC and screens.Also, you can control different expanders on the same bus by addressing them different.
Location: Netherlands
My B&O Icons:
2 February 2026 at 18:24 #73115 TignumGOLD MemberSo cool! Waiting to see your post about VU meters! 😁
Regards, Johan
Location: Netherlands
My B&O Icons:
2 February 2026 at 18:40 #73121 type81
BRONZE MemberNow the creation of the PCB’s behind the frontpanel. As said, I try not to use barbarian tools like angle grinders.
So the goal is to create something which can be placed in the original frame. It’s really tight in there but I managed to create a PCB with the right proportions, 2 screens and 2 gpio expanders.
This PCB will be placed on the left side of the frontpanel. It was a bit of a struggle, while the expanders had to be placed on the backside of the PCB and the screens on the front of the PCBOn the right side is 1 screen, which is built the same way.
As you can see, it is tight. Very very tight. But it fitsLocation: Netherlands
My B&O Icons:
2 February 2026 at 19:01 #73131 type81
BRONZE MemberNow that the screens are ready, they need to be connected to the Raspberry Pi.
At the time I built the central connecting PCB, the idea was to create 1 large screen but this was impossible without the “tools”
So I need to connect 2 screen PCB’s to the main PCB, but I anticipated for just 1.
Creating a second socket would imply a complete redesign of the main PCB.
I decided to create an intermediate PCB.
Behind the front panel where normally the CPU of the Beomaster resides I had enough space to position this extra unforseen PCBLocation: Netherlands
My B&O Icons:
2 February 2026 at 19:21 #73137 type81
BRONZE MemberThen the frontpanel. The screens are in place, but the plexiglass has some sort of coating on the backside. It won’t let the matrix screens shine through.
So the coating needs to be removed where the screens reside.I did this with grinding paper and after that if polished the clear plexiglass.
This polishing needs more work, but for now I am happy with it
Other places where the plexiglass is sort of clear need to be masked. I did this simply with a marker pen on the backside of the plexiglass.Location: Netherlands
My B&O Icons:
2 February 2026 at 19:49 #73141 type81
BRONZE MemberSo cool! Waiting to see your post about VU meters! 😁
Regards, Johan
Thought about it, but in my usecase it’s not that easy. The Pi which controls the screens doesn’t handle the music streaming.
Location: Netherlands
My B&O Icons:
6 February 2026 at 13:11 #73304 type81
BRONZE MemberYour VU question triggered me to try. But the choice for using MCP23017 GPIO expanders behind the screens makes this nearly impossible.
That I2C driven solution is simply not fast enough to process the fast screen changes.
I had it sort of working but after 2 seconds the screens stop working.
It would be possible if I redesign the screen PCB’s with a SPI driven solution but this would imply a full redesign of all my PCB’s.
So for now I’ll stick to the curent design without VU metersLocation: Netherlands
My B&O Icons:
6 February 2026 at 19:09 #73323 TignumGOLD MemberWhat you accomplished is really very cool!
Johan
Location: Netherlands
My B&O Icons:
5 March 2026 at 17:04 #75425beosthlm
BRONZE MemberReally nice work so far! Love the look of those matrix LEDs! And impressive what you have got together so far. Keep up the good work!
Location: Stockholm
Favourite Product: BeoSound 9000
11 March 2026 at 22:04 #76878 type81
BRONZE MemberTime for an update.
It’s not only a network player, but it has been upgraded to a network player AND network recorder.
So I am now able to record any signal which comes from the Beomaster to FLAC files on the internal harddisk.It’s pretty crowdy, but I was able to build in a Behringer UCA-202 USB soundcard. I took all of the unnessecary parts of this soundcard, and mounted it on a standard grid PCB with 10-pin IDC connector.
A Python based script starts the recording to the internal RAM of the Raspberry Pi. After the recording the file is split into multiple tracks when a pause of 2 seconds is detected.
After this, the file(s) are uploaded to Volumio.Maybe a moderator can remove the attachment? This was not inteded, I wanted simply add a picture but did it wrong 🙂
Location: Netherlands
My B&O Icons:
-
AuthorPosts
- You must be logged in to reply to this topic.


















